1: Mach3 Cnc Controller
2: Cnc Controller
3: Cnc Controller 4 Axis
4: Plc Programmable Logic Controller
5: Usb Interface
6: Drive Controller
7: Compatible Tb6600
8: Plc
Nome da marca: TWO TREES
Número do modelo: MACH3
Aplicação: MÁQUINA DE FRESAGEM
Químico Hign-em causa: Nenhum
Origem: CN (Origem)
Certificado: CE
Conteúdo do pacote:
1 x placa controladora cnc USB
1 x cabo USB
1 x CD
Descrição:
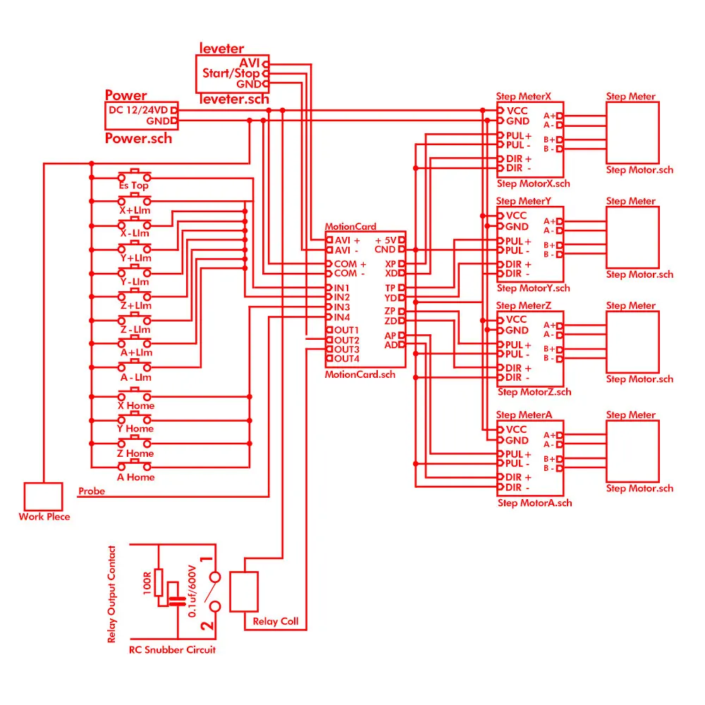
1.Suporte para ligação de 4 eixos, você pode conectar quatro drives de motor de passo ou servo drives;
2.A frequência máxima de pulso de passo é de 100KHz, o que é adequado para o servo ou motor de passo;
3.Suporte à ferramenta de sonda automática
4.Entrada de emergência de suporte
5.Suporte para fim de curso
6.Suporte para conexão de volante eletrônico
7.Precisa usar fonte de alimentação externa de 24 Vcc para isolar a porta USB e externa e para tornar o sistema mais estável
8.Possui porta de saída de 0-10V, você pode usar o software mach3 para controlar a velocidade do motor do fuso.
9.4 entradas de uso geral, você pode conectar o interruptor de limite, interruptor de parada, interruptor de sonda, voltar a zero e outros dispositivos
10.4 interface de saída de acionamento de relé isolado de uso geral, pode acionar quatro relés para controlar as partidas do fuso, rotação direta e rotação reversa, bombas e outros dispositivos
11.1 LED de status, indica o status da conexão na placa
Tamanho: 8x7,7cm/3,15x3,03 polegadas
Quantidade: 1 conjunto
Nota:
Por favor, permita um erro de 1-3mm devido à medição manual.certifique-se de que você não se importa antes de fazer uma oferta
Devido à diferença entre monitores diferentes, a imagem pode não refletir a cor real do item. Obrigado!






IGBT SOLUTIONS é uma loja especializada em fornecer uma ampla gama de componentes eletrônicos essenciais, atendendo às necessidades de entusiastas, engenheiros e empresas em todo o Brasil. Nosso catálogo abrange desde rolamentos confiáveis até coolers eficientes e módulos IGBT de alta qualidade. Além disso, estamos disponíveis no WhatsApp para facilitar a comunicação direta e rápida.
Utilizamos cookies para que você tenha a melhor experiência em nosso site. Para saber mais acesse nossa página de Política de Privacidade